产品中心PRDUCTS
技术支持RECRUITMENT
开云官方-如何制作稳压电源
2025-09-07 18:45:35
开云官方调试完后,该电源可以输出DC11.80V,DC-12.11V,Dc+5.02三路直流电压源。输出总功率10W,遗憾的是没有接入保险丝,别在使用中电源给烧了。利用它重新调试运放结果很好。
1、自制电源的想法起源于前两天想试试运算放达器,发现电源的-12V偏高,导致运放不能正常工作。2、原理图

图1、自制稳压电路接线V变压器。开始时我从一个坏的计算机电源上拆下一个小小的变压器,认为可以用,首先发现引脚特别多,分不清哪是初级那是次级,其次我大胆地把一端只有两个引脚的当做初级线V,只是点动接触一下,屋里空开就跳了。后来才明白,那是所谓的高频变压器,工作时把220交流电整流,滤波后,通过高频开关输入的。特点时可以实现小体积大功率。给象我一样的初学者提个醒,碰到这种问题接线小心!果然电子市场买的新的变压器,才10w!!!那么大个头!:)
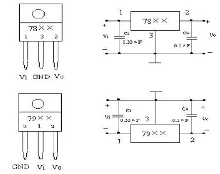
图2、 78xx和79xx接线)、整流桥可以买到的,就一个集成电路,我买的是S2VB20,可以过200VDC,2A电流,反正我的变压器就是10W的输出1A不到开云官方,足以!

(4)、滤波电容,似乎没什么讲究,有人说从几百到几千微法都行,但是要注意耐压,别被击穿了。还有,别接反了,0和-12v之间,0接电容正,-12接电容负。我接反了,一个电容冒着烟坏掉了。滤波效果挺好的,不带负载嘛!也看不出来,以后专门看看这个滤波,什么派型滤波不知有什么特长。用示波器看一条直线!如果不解电容,可以很清楚地看到整流桥后负半轴的波形翻转上去。加电容后,立即变成一条直线与地之间的电容,有书上讲是防止产生高频自激振荡和抑止输入高频干扰信号,摘录至此。电容大小也是乱选的,这个不要参考了。
调试完后,该电源可以输出DC11.80V,DC-12.11V,Dc+5.02三路直流电压源。输出总功率10W,遗憾的是没有接入保险丝,别在使用中电源给烧了。利用它重新调试运放结果很好。
